Цифровые линейки и устройства цифровой индикации представляют собой обязательную оснастку, обеспечивающей точность выполняемых работ на станочном оборудовании. С помощью цифровых измерительных устройств, цифровой индикации достигается высокая точность обработки металлических деталей и заготовок, осуществляется контроль над работой машин и установок. Линейки этого вида обладают минимальной погрешностью, позволяют соблюдать во время технологических операций на станках с ручным приводом и полуавтоматах необходимую точность, выполнять необходимые замеры. Устройства цифровой индикации специально разработаны для обработки цифровых сигналов, фиксирующих линейные перемещения основных узлов и агрегатов станочной техники в процессе работы. Модели, представленные в каталоге, могут быть по возможности оборудованы определенным типом цифровых устройств. Для удобства использования, вся получаемая информация выдается на экран.
Все значения, фиксируемые в момент выполнения технологических операций на токарных и фрезерных станках, помогают избежать возможности производственного брака, снизить риск аварийной поломки установок. Вся технология составления технического задания опирается на точные данные делений шкалы, не допуская погрешности и поправки на люфт узлов, агрегатов работающей машины. Оборудовав станки цифровой линейкой с одной или с несколькими считывающими головками, гарантируется запись всех данных, получаемых в момент работы станков. Считывание информации с помощью аналогового сигнала трансформируется электронным преобразователем в цифровые форматы, выдаваемые на электронном табло.
Благодаря наличию в металлообрабатывающей технике электронных датчиков существенно увеличиваются функциональные возможности установок и механизмов, улучшаются технологические параметры и характеристики работающих агрегатов. Оснащение сверлильных, фрезерных и токарных станков аппаратами цифрового контроля, линейками со считывающими головками, обеспечивает следующими возможностями:
для сверления круговых деталей и фланцев, обеспечивается необходимое деление окружности;
контроль над перемещением узлов и агрегатов станков по координатам;
функция компенсации параметров инструмента;
определение центровки заготовки;
наличие памяти на основные параметры рабочих инструментов;
данные о необходимом наклоне заготовки или шпинделя;
функция цифрового калькулятора;
выполнение операций в двух системах, метрической и дюймовой, с взаимным переводом данных.
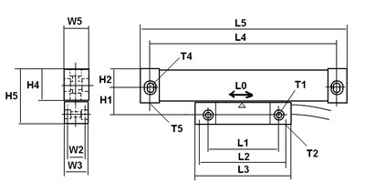
Схема длин. Отличительным параметром является длина L0
| S | M | L | |
|---|---|---|---|
| L1 | 56 | 60 | 60 |
| L2 | - | 68 | 60 |
| L3 | 70 | 76 | 90 |
| L4 | L0+102 | L0+114 | L0+142 |
| L5 | L0+112 | L0+128 | L0+162 |
| H1 | 25,2 | 30 | 31,5 |
| H2 | 10 | 16 | 27 |
| H4 | 20 | 31,5 | 50 |
| H5 | 43 | 52,5 | 80,5 |
| W2 | - | - | 27 |
| W3 | 14 | 22 | 37 |
| W5 | 18 | 23,5 | 38 |
| T1 | M5/Ø4 | M6/Ø5 | M6/Ø5 |
| T2 | - | M4 | M5 (4x) |
| T4 | Ø5 | Ø6 | Ø7 |
| T5 | Ø5 | Ø6 | Ø7 |
| Артикул | Тип | Длина L0 | Примечание |
|---|---|---|---|
|
51000290 |
S | 50 |
(GHB-1330/ GHB-1340A) |
|
51000300S |
S | 100 | (GHB-1440W3) |
|
51000310M |
S | 150 | |
|
51000320S |
S | 200 |
(GHB-1330/ GHB-1340A/ GHB-1440W3) |
|
51000300M |
M | 100 | |
|
51000311 |
M | 150 | (ZX-серия) |
|
51000321 |
M | 200 | |
|
51000330 |
M | 250 | (JVM-836VS) |
|
51000340 |
M | 300 | |
|
51000350 |
M | 350 | |
|
51000360 |
M | 400 |
(ZX-серия/ JVM-836VS/ JTM-1050VS) |
|
51000370 |
M | 450 | |
|
51000380 |
M | 500 |
(JTM-4VS/ JTM-1050VS) |
|
51000390 |
M | 550 |
| Артикул | Тип | Длина L0 | Примечание |
|---|---|---|---|
|
51000400 |
M | 600 | (JVM-836VS) |
|
51000410 |
M | 650 | |
|
51000440 |
M | 800 | |
| 51000460 | M | 900 |
(JTM-4VS/ JTM-1050VS) |
|
51000431 |
L | 750 | (GHB-1330) |
|
51000470 |
L | 950 |
(GH-1640ZX/ GH-1840ZX) |
|
51000480 |
L | 1000 |
(GHB-1340A/ GH-1440W3) |
|
51000490 |
L | 1100 | |
|
51000500 |
L | 1200 | |
|
51000520 |
L | 1400 | (GH-1860ZX) |
|
51000530 |
L | 1500 | |
|
51000540 |
L | 1600 | |
|
51000570 |
L | 1900 |
(GH-1880ZX/ GH-2280ZX) |
|
51000580 |
L | 2000 | |
|
51000590 |
L | 2100 | |
|
51000640 |
L | 3000 |